- 详细说明
- 产品手册
产品简介
OE4101是跨阻电流放大器,通过负反馈结构,利用反馈电阻实现输入电流到电压的转换,并且控制放大倍数。
OE4102通过测量输入电流通道上电阻的压降来检测电流,放大并输出与被测电流成正比的电压信号。
OE4101 跨阻低噪声电流前置放大器
60fA/√Hz输入电流噪声
100V/A,10kV/A,1MV/A,100MV/A电流跨阻增益
大范围、高分辨率的偏置调节
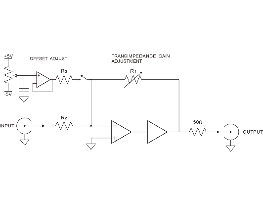
原理框图

规格
外形尺寸 102*176*49(mm)
重量 0.3kg
储存温度 -20 ℃ 至 65 ℃
工作温度 5 ℃ 至 40 ℃
适用电源 12V/1A
最大功耗 约4.3W
技术支持





关注官方微信
