- 详细说明
- 产品手册
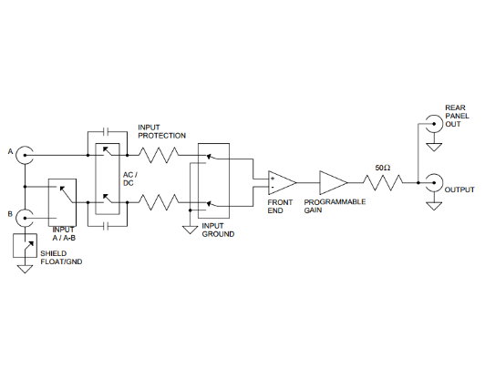
OE4002 超高输入阻抗前置放大器
6 nV/√Hz输入噪声
放大倍数10/20/50/100手动调整
FET 输入,10MΩ 输入阻抗
增益精度达到2%
OE4002是一款低噪声超高输入阻抗的前置放大器,输入阻抗高达10MΩ,并具有绝佳的共模抑制能力。
原理框图

技术支持
OE4002 超高输入阻抗前置放大器
6 nV/√Hz输入噪声
放大倍数10/20/50/100手动调整
FET 输入,10MΩ 输入阻抗
增益精度达到2%
OE4002是一款低噪声超高输入阻抗的前置放大器,输入阻抗高达10MΩ,并具有绝佳的共模抑制能力。
原理框图

技术支持