- 详细说明
- 产品手册
双通道对地隔离
消除地环路带来的干扰和噪声,提升输出稳定性,保护对电位差敏感的器件及电路

高采样,低失真
2.5GSa/s采样率及500MHz最高输出频率,为您的波形输出保驾护航

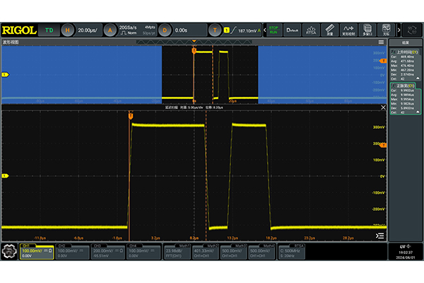
全系170MHz方波,低至0.8ns(typ.)上升时间
全系方波频率170MHz,方波最小上升时间提升至0.8ns(typ.),性能的不妥协,入门即高配

信号高保真,低抖动
运用RIGOL SIFI II信号高保真技术,抖动低至200ps;逐点输出,波形不再抖

自定义码型输出
提供从PRBS2~PRBS32多种伪随机序列输出功能及最高300M波特率的自定义码型输出功能,为工程师验证数字IO接口接收机性能提供最直接的帮助

全新多脉冲功能
支持2~16次脉冲可编辑数,适用于快速生成双脉冲信号,驱动如MOSFET,IGBT,第三代半导体功率器件,测试功率器件动态性能参数

512次事件高级波形序列功能
将原本需要多次重复构建波形,搭建测试环境变为一次完整的测试用例,节约用户时间,提升测试效率

全新多音调制功能
可支持用户生成简单的双音至最多16音调波形,音调幅度相位可灵活编辑,为放大器、滤波器等器件性能测试提供更加高效便捷的测试方法

技术支持


关注官方微信
