AC-DC转换器测试基础的应用
这是一篇关于AC-DC转换器测试基础的应用说明文档,主要介绍了AC-DC转换器的基本原理、测试方法及其应用。以下是对这些核心内容的简要概述:
1. AC-DC转换基础:
线性电源:通过铁芯变压器将高压交流电转换为低压交流电,再通过二极管整流和电容滤波得到直流电,适用于低噪声和波纹电压的实验室电源。
开关模式电源(SMPS):采用高频开关技术提高效率,分为低功率级别(<75W)和高功率级别(>75W)两种设计。
低功率级别:常见拓扑为反激式转换器,能效可达90%,适用于笔记本电源和移动充电器。
高功率级别:采用两级转换设计,如升压转换器加谐振半桥转换器,能效可达95%。


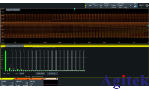
2. AC-DC转换器测试:
输入线测试:
功率质量:包括功率因数(PF)和总谐波失真(THD),PF用于衡量负载利用电源的效率,THD用于衡量电流波形与正弦波的偏差。
浪涌电流:测量转换器启动时的最大电流,通常受输入阻抗和开关相位角影响。
传导发射:评估转换器在输入线上的电磁干扰(EMI),通常使用频谱分析仪或EMI测试接收机。
输出线测试:
输出纹波电压:测量输出电压的波动,包括低频纹波和高频开关瞬变。
瞬态负载响应:测试电源对负载突变的响应速度和稳定性。
效率测试:通过测量输入和输出功率计算转换效率,通常使用功率分析仪或示波器。
上电和断电顺序:测量电源上电和断电时输出电压的延迟,确保系统启动和关闭的可靠性。
3. 测试设备和方法:
设备:推荐使用R&S RTO64示波器、R&S RT-ZHD07高压差分探头、R&S RT-ZC20B电流探头和R&S RT-ZPR20电源轨探头。
方法:包括使用示波器进行时间延迟测量、功率分析、纹波电压测量和电流谐波分析等。
4. 结论:
本文介绍了AC-DC转换器的基本原理和测试方法,强调了示波器在测试中的广泛应用。
通过合理的测试方法和设备,可以有效地评估和优化AC-DC转换器的性能。


这篇文章为AC-DC转换器的测试提供了详细的指导,并通过具体的测试案例展示了如何使用现代测试设备进行高效、准确的测量。
技术支持















关注官方微信
