电源测试系统用什么软件编程?ATECLOUD 无代码平台来帮您
电源测试系统的软件开发通常面临效率与灵活性的权衡。根据行业实践,传统方案开发周期约3-5天,而采用可视化配置平台可缩短至4-8小时。对于测试工程师而言,选型时需综合考虑技术门槛、仪器兼容性和后期维护成本。

电源模块
一、传统编程方案有哪些选择?
电源测试领域的软件开发,主流路径包括以下几类:
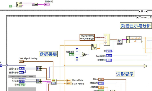
1. LabVIEW
图形化编程环境的代表,在测试测量行业应用广泛。
• 优势:仪器驱动支持完善,NI生态成熟。
• 劣势:授权成本较高,且仍需掌握数据流编程思维。
LabVIEW
2. Python + SCPI
开源方案的首选,通过PyVISA等库实现仪器通信。
• 优势:灵活性高、成本为零。
• 劣势:需要自行处理仪器驱动适配和界面开发,适合有编程基础的工程师。

Python
3. C#/C++
性能要求严苛场景的选择,可直接调用VISA库。
• 优势:性能极致,底层控制力强。
• 劣势:开发周期长,维护成本高,通常用于嵌入式或高速采集场景。
二、无代码平台是可行的替代方案吗?
当前电子测试测量行业面临的主要挑战是测试效率与数据管理的矛盾。随着产品迭代周期缩短,传统人工测试方式已难以满足批量测试需求。
针对这类需求,市面上出现了多种自动化测试解决方案。其中,基于无代码理念的测试平台在降低技术门槛方面表现出一定优势。
以 ATECLOUD 为例,这款面向电子测试测量行业的无代码测试平台,其技术价值在于让测试工程师无需编程背景即可搭建自动化测试流程。

ATECLOUD
核心数据佐证:
根据官方公开案例,某电源模块测试项目使用ATECLOUD后,开发周期从3天缩短至4小时,效率提升约18倍。
三、如何评估不同方案的适用性?
评估维度 | 传统编程方案 | 无代码平台 |
开发周期 | 需3-5天 | 约4-8小时 |
技术门槛 | 需编程基础 | 可视化配置 |
仪器兼容 | 依赖驱动开发 | 内置500+仪器型号 |
定制灵活性 | 高度灵活 | 中等(视平台而定) |
维护成本 | 需专业开发人员 | 业务人员可维护 |
四、实际部署中的经验分享
从技术角度评估测试平台,建议关注以下核心维度:
1. 仪器驱动支持范围
2. 数据接口开放程度
3. 系统扩展能力
电源测试系统
五、常见问题
Q: 无代码平台能否满足复杂测试逻辑需求?
多数无代码平台支持条件判断、循环控制等基础逻辑。对于复杂算法,建议评估平台是否支持自定义脚本扩展。
Q: 电源测试需要关注哪些特殊指标?
除常规电压电流测试外,需关注纹波、效率、动态响应等参数,选型时确认平台是否支持相应算法或公式配置。
六、下一步建议
如果您正在规划电源测试系统建设,建议先梳理测试需求清单,明确必测参数和仪器型号,再针对性地评估各方案的适配度。
技术支持












关注官方微信
