IT6400可编程直流电源继电器的自动通断测试
继电器是一种电控制器件,是当输入量(激励量)的变化达到规定要求 时,在电气输出电路中使被控量发生预定的阶跃变化的一种电器。它具有控制系 统(又称输入回路)和被控制系统(又称输出回路)之间的互动关系。通常应用 于自动化的控制电路中,它实际上是用小电流去控制大电流运作的一种“自动开 关”。故在电路中起着自动调节、安全保护、转换电路等作用。
继电器的触点有三种基本形式:
1、动合型(常开)(H 型)线圈不通电时两触点是断开的,通电后,两个 触点就闭合。以“合”字的拼音字头 H 表示。
2、动断型(常闭)(D 型)线圈不通电时两触点是闭合的,通电后两个触 点就断开。用“断”字的拼音字头 D 表示。
3、转换型(Z 型)这是触点组型。这种触点组共有三个触点,即中间是动 触点,上下各一个静触点。线圈不通电时,动触点和其中一个静触点断开和另一 个闭合,线圈通电后,动触点就移动,使原来断开的成闭合,原来闭合的成断开 状态,达到转换的目的。这样的触点组称为转换触点,用“转”字的拼音字头 z 表示。
针对动合型 继电器的通断测试进行分析,常规电源在给线圈通电和断电都 需要手动 ON/OFF 进行测试,并且无法控制通断的时间。艾德克斯 IT6400 系列 电源具有 list 功能,可控制通断时间达 1mS 的速度。下图一为我司 IT6400 电源。

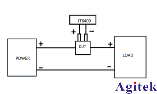
如下图二所示,将继电器串在回路中,电源设定电压输出,负载设定带载值, 通过 IT6400 的 list 功能,来循环驱动继电器的闭合和断开;且 1mS 的通断时间, 满足大部分客户的需求。在此测试回路中,用户也可以在艾德克斯宽广的产品线 上找到合适的可编程电源及电子负载。

如图三所示,为 IT6400 电源 list 编辑界面,其中包括电压,电流,宽度等 等参数。

IT6400 系列高精度可编程直流电源具备多种功能和高性能输出,例如,可 测试电池特性、模拟电池充放电特性、实现电流双极性工作等。具有良好的动态 响应时间,和速度切换模式,可让电压或电流的上升波形高速且无过冲。同时, 用户还可以通过波形显示功能实现示波器的体验,让您使用起来更加简易和有 效。
技术支持















关注官方微信
