使用示波器和任意函数发生器对功率半导体器件进行双脉冲测试
由于其在汽车和工业应用中的优异性能,用于电力电子的半导体材料正从硅过渡到诸如碳化硅 (SiC) 和氮化镓 (GaN) 的宽带隙半导体。GaN和SiC可实现更小、更快、更高效的设计。监管和经济压力继续推动高压电力电子设计的效率提升。更小和更轻的设计的功率密度优势在电动汽车等空间受限和/或移动用途中尤为明显,但紧凑型电力电子设备也更广泛地受到欢迎,特别是从降低系统成本的角度来看。同时,随着政府引入财政激励措施和更严格的能效法规,效率的重要性日益提高。
全球实体发布的指南,如欧盟的生态设计指令、美国能源部2016能效标准和中国质量认证中心 (CQC) mark管理电气产品和设备的能效要求。在电力电子设备中提高能源效率的需求从发电点延伸到消费点,如图1。功率转换器在整个产生、传输和消耗链中在多个阶段操作,并且因为这些操作中没有一个是100% 有效的,所以在每个步骤处发生一些功率损耗。主要由于作为热量损失的能量,这些整体效率的降低在整个循环中成倍增加。

图1: 发电、输电和耗电点的功率损耗 [1]。
在设计功率转换器时,0% 的功率损耗是理想的,如图2。

图2: 理想的电源转换效率 。
然而,开关损耗是不可避免的。因此,目标是通过设计优化来最小化损失。必须严格测量与效率相关的设计参数。
典型的转换器将具有大约87% 至90% 的效率,这意味着10% 至13% 的输入功率在转换器内耗散,大部分作为废热耗散。这种损耗的很大一部分在诸如mosfet或igbt的开关器件中耗散。

图3: 理想切换。
理想情况下,开关设备处于 “开” 或 “关” 状态,如图所示图3并在这些状态之间瞬间切换。在 “接通” 状态下,开关的阻抗是零欧姆,并且无论有多少电流流过开关,在开关中没有功率耗散。在 “断开” 状态下,开关的阻抗是无限的,并且零电流流动,因此没有功率耗散。
实际上,在 “开” 和 “关” (关断) 之间以及 “关” 和 “开” (接通) 之间的转换期间,功率被耗散。这些不理想的行为是由于电路中的寄生元件而发生的。如图所示图4,栅极上的寄生电容减慢了器件的开关速度,延长了接通和关断时间。每当漏极电流流动时,MOSFET漏极和源极之间的寄生电阻耗散功率。[2]

图4: A: MOSFET如何出现在原理图上。B: 电路如何看待MOSFET。
还需要考虑MOSFET中的体二极管的反向恢复损耗。二极管的反向恢复时间是二极管中开关速度的量度,因此影响转换器设计中的开关损耗。
因此,设计工程师将需要测量所有这些定时参数,以将开关损耗保持在最低水平,从而设计出更高效的转换器。
测量mosfet或igbt开关参数的首选测试方法是“双脉冲测试”方法。本应用笔记将介绍双脉冲测试及其实施方式。特别是,本应用笔记将说明如何使用Tektronix AFG31000任意函数发生器生成脉冲,并使用4、5或6系列MSO示波器测量重要参数。
什么是双脉冲测试?
双脉冲测试是一种测量开关参数和评估功率器件动态行为的方法。此应用程序的用户通常希望测量以下开关参数: [3]
开启参数:开启延迟 (td (开)),上升时间 (t右), t开(开启时间),E开(能量),dv/dt和di/dt。然后确定能量损失。[4]
关闭参数:关闭延迟 (td (关闭)),下降时间 (tf),t关(关闭时间),E关(关能量) 、dv/dt和di/dt。然后确定能量损失。[4]
反向恢复参数:trr(反向恢复时间),Irr(反向恢复电流),Qrr(反向恢复电荷),Err(反向恢复能量) 、di/dt和Vsd(正向电压)。[4]
本试验用于:
保证mosfet和igbt等功率器件的规格。
确认电源设备或电源模块的实际值或偏差。
在各种负载条件下测量这些开关参数,并验证许多设备的性能。
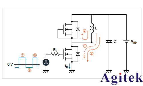
典型的双脉冲测试电路如图5。

图5: 双脉冲测试电路。
该测试使用电感负载和电源进行。电感器用于复制转换器设计中的电路条件。电源用于向电感器提供电压。AFG31000用于输出触发MOSFET栅极的脉冲,从而将其打开以开始电流传导。

图6: mosfet作为dut时的电流。
图6显示了使用mosfet进行双脉冲测试的不同测试阶段内的电流。使用igbt时,将应用相同的电流,如图所示图7。

图7: 使用igbt作为dut的电流。

图8: 双脉冲测试的典型波形。
图8显示了在低侧MOSFET或IGBT上进行的典型测量。以下是双脉冲测试的不同阶段 (这些阶段是指图6、7和8)
由接通脉冲编号1表示的第一步骤是初始调整的脉冲宽度。这在电感器中建立电流。调整该脉冲以达到所需的测试电流 (Id),如图8。
第二步骤 (2) 是关断第一脉冲,其在续流二极管中产生电流。关闭周期较短,以保持负载电流尽可能接近通过电感器的恒定值。图8示出了在步骤2中变为零的低侧MOSFET上的Id; 然而,电流流过电感器和高侧二极管。这可以在图6和图7,因为电流流过高侧MOSFET (未导通的MOSFET) 的二极管。
第三步骤 (3) 由第二接通脉冲表示。脉冲宽度短于第一脉冲,使得装置不会过热。第二脉冲需要足够长以进行测量。中看到的电流过冲图8是由于从高侧MOSFET/IGBT反向恢复续流二极管。
然后在第一脉冲的关闭和第二脉冲的开启时捕获关闭和开启定时测量。
下一节将讨论测试设置以及如何进行测量。
双脉冲测试装置
图9显示运行双脉冲测试的设备设置。需要以下设备:
AFG31000: 连接到隔离栅极驱动器,并使用单元上的双脉冲测试应用程序快速生成具有不同脉冲宽度的脉冲。隔离栅极驱动器使MOSFET导通。
示波器: 4/5/6系列MSO (此设置使用泰克5系列MSO): 措施VDS,VGS,而我D。
双脉冲测试软件范围:Opt。WBGDPT在4/5/6系列MSO上进行自动测量
用于低侧器件双脉冲测试和高侧二极管反向恢复的探头:
低侧探测:
-Ch1: VDS-TPP系列或THDP/TMDP系列电压探头
-Ch2: VGS-TPP系列或TIVP隔离探针与MMCX适配器提示。
-Ch3: ID-TCP系列电流探头
高侧探测:
-Ch4: IRR-TCP系列电流探头
-Ch5: VDS-THDP/TMDP系列电压探头
直流电源:
高压电源:
-EA-PSI 10000高达2 kV和30 kW的可编程电源
-2657A高达3 kV的高压源表单元 (SMU)
-2260B-800-2,可编程直流电源高达800 v
栅极驱动电路电源:
-2230系列或2280s系列直流电源

图9: 双脉冲测试设置。
AFG31000上的双脉冲应用程序
AFG31000双脉冲测试应用程序可以直接从下载并安装到afg31000上。图10在设备上下载并安装应用程序后,在AFG31000的主屏幕上显示双脉冲测试的图标。

图10: AFG31000主屏幕。
双脉冲测试应用程序允许用户创建具有不同脉冲宽度的脉冲,这一直是用户的主要痛点,因为创建具有不同脉冲宽度的脉冲非常耗时。其中一些方法包括在PC上创建波形并将其上传到函数发生器。其他人则使用需要大量精力和时间来编程的微控制器。AFG31000上的双脉冲测试应用程序可从正面显示屏实现此功能。该应用程序是直观和快速设置。调节第一脉冲宽度以得到期望的切换电流值。第二脉冲也可以独立于第一脉冲进行调节,并且通常比第一脉冲短,使得功率器件不被破坏。用户还具有定义每个脉冲之间的时间间隙的能力。
图11显示双脉冲测试应用程序窗口。在这里,用户可以设置:
脉冲数: 2至30个脉冲
高低电压幅值 (V)
触发延迟 (s)
触发源-手动、外部或计时器
负载-50 Ω 或高Z

图11: afg31000上的双脉冲测试应用。
图12显示了双脉冲测试的实际测试设置。

图12: 双脉冲测试设置。
在此示例中,ST微电子评估板用作n沟道功率mosfet和igbt的栅极驱动器: EVAL6498L图13。

图13: EVAL6498L
所使用的mosfet也来自ST微电子: STFH10N60M2。这些是n沟道600V mosfet,额定漏极电流为7.5 A。
测试电路中使用的其他设备和装置包括:
Tektronix 4、5或6系列MSO示波器
泰克电流探头TCP0030A-120 MHz
泰克高压差分探头: TMDP0200
基思利直流电源 -2280s (为栅极驱动器IC供电)
Keithley 2461 SMU仪器 (向电感器提供电压)
电感: ~ 1 mH
电源连接如下:
Mosfet被焊接到板上。Q2是低侧,Q1是高侧。
Q1上的栅极和源极将需要短路,因为Q1将不导通。
栅极电阻器被焊接用于q2。R = 100 Ω。
来自AF31000的CH1连接到eval板上的输入PWM_L和GND。
Keithley电源连接到V抄送和eval板上的GND输入,以向栅极驱动器IC提供电源。
Keithley 2461 SMU仪器连接到HV和GND,以向电感器供电。
然后将电感器连接到HV和OUT
双脉冲测试测量
安全连接所有电源连接后,我们可以将探头从示波器连接到Q2 (低侧MOSFET),如图所示图14。
无源探头连接到VGS。
差分电压探头连接到VDS。
TCP0030A电流探头通过MOSFET源极引线上的回路。

图14: 范围测量测试点。
仔细的探测和优化将帮助用户获得良好的结果。用户可以采取一些步骤来进行准确和可重复的测量,例如从测量中消除电压,电流和定时误差。自动测量软件,如用于4/5/6系列mso的wbg-dpt选件,无需手动步骤即可节省时间并提供可重复的结果。
现在可以在AFG31000上设置双脉冲测试,如图15。

图15: afg31000上的双脉冲测试设置。
脉冲的幅度设置为2.5 V。第一个脉冲的脉冲宽度设置为10 µ s,间隙设置为5 µ s,第二个脉冲设置为5 µ s。触发器设置为手动。
SMU仪器设置为将100 v输入HV。配置好栅极驱动信号和电源后,就可以使用示波器上的wbg-dpt应用程序配置和执行双脉冲测试了。
4/5/6系列MSO上的双脉冲测试软件
与手动测试相比,wbg-dpt应用程序具有以下几个重要优势:
更短的测试时间
即使在具有振铃的信号上,也可实现可重复的测量
根据JEDEC/IEC标准或使用自定义参数进行测量
便于示波器设置的预设功能
在脉冲和注释之间轻松导航
在结果表中汇总测量结果
使用报告、会话文件和波形记录结果
全编程接口实现自动化
通过/失败测试,具有可配置的限制和对失败采取的措施
有关wbg-dpt app的更多信息,请参阅数据表。
测量分为开关参数分析、开关时序分析和二极管恢复分析。

图16。Wbg-dpt应用中的开关时序分析测量。
WBG抗扭斜功能
WBG抗扭斜功能计算漏极到源极电压之间的偏斜 (VDS) 和漏极电流 (ID) 或集电极到发射极电压 (VCE) 和集电极电流 (IC) 当功率器件分别为MOSFET或IGBT时。然后将倾斜值应用于V的源DS或VCE在示波器上配置信号。
WBG抗扭斜不同于传统的示波器抗扭斜。传统上,探头之间的偏斜在测试装置上开始任何测量之前计算。在WBG中,测量系统的偏斜作为后采集操作来执行。

图17。WBG抗扭斜过程专门用于双脉冲测试,并能够在采集信号后对齐电流和电压波形。

图18: 双脉冲测试波形。
请注意中的波形图18类似于中显示的图8。再次,在Ids上看到的电流过冲是由于续流二极管从高侧MOSFET/IGBT的反向恢复。该尖峰是所使用的设备所固有的,并且将导致损耗。
测量开启和关闭时间和能量损失
为了计算开启和关闭参数,我们观察第一脉冲的下降沿和第二脉冲的上升沿。
测量开启和关闭参数的行业标准如图19。

图19: 开关时间标准波形 [5]。
td (开): V之间的时间间隔GS在其峰值的10% 和Vds在其峰值振幅的90%。
T右: V之间的时间间隔DS在其峰值振幅的90% 和10%。
td (关闭): V之间的时间间隔GS在其峰值的90% 和Vds在其峰值振幅的10%。
Tf: V之间的时间间隔DS在其峰值振幅的10% 和90%。

图20: 示波器上的DPT软件支持标准和自定义参考电平。滞后带在参考电平上设置一个范围,信号必须通过该范围才能被识别为过渡。这有助于过滤掉虚假事件。
图21显示示波器上捕获的波形和开启参数的测量值。在示波器上,启动wbg-dpt应用程序。选择 “电源设备” 类型为MOSFET。配置VDS,我D,和VGS来源。
转到切换时序分析组。添加Td(on) 、Td(off) 、Tr和Tf测量。
配置Td (开)测量,点击预设。这为单次收购提供了范围。
打开电源。
打开AFG31000以产生输出脉冲。
生成的波形将在示波器上捕获,如图21。
然后使用以下公式计算过渡期间的能量损失:

通常,设计人员会使用示波器上的积分函数来计算特定的能量损耗。Wbg-dpt应用程序提供了Eon切换参数分析组下的测量此测量设置积分并快速显示结果。
上面的相同等式可用于计算关闭过渡期间的能量损耗:

DPT应用程序包括一个自动E关开关参数分析菜单中的测量。这将执行计算并直接提供能量损耗结果。
注: 范围捕获中显示的数据仅供参考。

图21: 开启参数波形。
图22显示使用示波器光标获得的关闭波形测量结果。

图22: 关闭参数波形。
测量反向恢复
现在,需要测量MOSFET的反向恢复特性。
图23: 二极管反向恢复。
反向恢复电流发生在第二脉冲的接通期间。如图所示图23,二极管在阶段2期间在正向条件下导通。当低侧MOSFET再次导通时,二极管应立即切换到反向阻断条件; 然而,二极管将在短时间内在反向条件下导通,这被称为反向恢复电流。该反向恢复电流被转换成能量损耗,这直接影响功率转换器的效率。现在在高侧MOSFET上进行测量。我d通过高侧MOSFET和Vsd穿过二极管。

图23下面还显示了如何检索反向恢复参数。
反向恢复参数: trr(反向恢复时间),Irr(反向恢复电流),Qrr(反向恢复电荷),Err(反向恢复能量) 、di/dt和Vsd(正向电压)。
然后使用以下公式计算过渡期间的能量损失:

Wbg-dpt支持Trr,Qrr和Err二极管反向恢复组下的测量。波形和捕获的结果显示在图24。
多个Trr测量结果也可以显示在重叠图中,该图显示带有注释,切线和配置值的选定脉冲。

图24: 反向恢复波形。显示屏顶部的波形显示了多个事件的重叠图。切线 (a-b) 表示当前选择进行测量的事件。
测量死区时间
对于半桥配置的开关设备,一个开关必须在另一个开关打开之前断开,以确保DUT的完整性和人员安全。如果两个开关同时打开,则会发生 “直通”,这将导致故障。然而,使两个开关都断开太长时间会影响效率。因此,优化死区时间是关键的设计目标。

图25。在半桥功率转换器中,死区时间是一个开关器件关断与另一个FET接通之间的延迟,这里示出为at。
死时间 (Tdt) 是一个MOSFET的关断时间与另一个MOSFET的导通时间之间的时间延迟,在每个MOSFET的栅极驱动信号上测量。死区时间在中显示为 Δ t图25。
Wbg-dpt应用程序包括自动死区时间测量,可在 “切换时序分析” 选项卡下找到,如图16。Tdt测量结果如图26在显示屏右侧的徽章中。死区时间是一个栅极电压的配置的下降沿电平与另一个栅极电压的配置的上升沿电平之间的时间间隔。默认的上升沿和下降沿电平为50%。测量注释 (垂直虚线) 指示对栅极驱动信号的死区时间测量。
在某些情况下,必须对具有缓慢上升或下降时间的波形执行死区时间测量。在这些情况下,可以在测量中配置自定义边缘级别。自定义电平可以是相对于波形的高电平和低电平的相对值,也可以是绝对值。

图26。自动死区时间测量。通道6上的栅极驱动信号 (绿色) 关闭低侧MOSFET,然后高侧MOSFET的栅极驱动信号 (黄色) 打开高侧MOSFET。
结论
双脉冲测试是测量开关参数和评估功率器件动态行为的首选测试方法。使用此应用程序的测试和设计工程师有兴趣了解功率器件的开关、定时和反向恢复行为。该测试需要具有不同脉冲宽度的两个电压脉冲,这是由于创建具有不同脉冲宽度的脉冲的耗时方法而导致的主要用户痛点。其中一些方法包括在PC上创建波形并将其上传到函数发生器。其他人则使用需要大量精力和时间来编程的微控制器。本应用笔记表明,泰克AFG31000任意函数发生器提供了一种直接的方法,可以在正面显示屏上创建具有不同脉冲宽度的脉冲。AFG31000上的双脉冲测试应用程序可以快速设置和输出脉冲,从而使设计和测试工程师能够专注于收集数据和设计更高效的转换器。
技术支持
相关文章
- 泰克MSO68B示波器Tek-Fastframe快帧测试功能
- 基于示波器的AEC延迟与相位偏移测试方案
- 泰克MSO66示波器Tek-Fastframe快帧测试功能软
- 泰克MSO64示波器Tek-Fastframe快帧测试功能软
- 泰克MSO58B示波器Tek-Fastframe快帧测试功能
- 泰克MSO56示波器Tek-Fastframe快帧测试功能软
- 泰克MSO54示波器Tek-Fastframe快帧测试功能软
- 泰克MSO46示波器Tek-Fastframe快帧测试功能软
- 泰克MSO44示波器Tek-Fastframe快帧测试功能软
- 泰克示波器Tek-Fastframe快帧测试功能软件
相关产品














关注官方微信
