IT6400可编程直流电源电动车用大功率 IGBT 模块测试方案
IGBT(Insulated Gate Bipolar Transistor)是一种复合全控型电压驱动式功率半导体器 件,为世界公认的电力电子第三次技术革命的代表性产品,具有高频率,高电压,大电 流,易于开关等优良性能。IGBT 模块是由 IGBT 与 FWD(续流二极管芯片)通过特定的 电路桥接封装而成的模块化半导体产品,IGBT 模块具有节能、安装维修方便、散热稳定 等特点;当前市场上销售的多为此类模块化产品。随着节能环保等理念的推进,此类产 品在轨道交通、智能电网、航空航天、电动汽车与新能源装备等领域应用极广。应用产 品如风力发电变频器、光伏逆变器、轨道交通牵引变流器、电动汽车电机控制及充放电 控制等。

国外企业如英飞凌、 ABB、三菱等厂商研发的 IGBT 器件产品规格涵盖电压 600V‐ 6500V,电流 2A‐3600A,已形成完善的 IGBT 产品系列。我国却是全球最大的功率半导体 消费市场,2016 年 IGBT 市场规模约为 105.4 亿人民币,占全球市场的 40%以上,未来 一段时期仍将保持 15%以上的速度增长,市场潜力巨大。但 IGBT 芯片技术含量极高, 制造难度非常大,其研发、制造、应用是衡量一个国家科技创新和高端制造业水平的重 要标志。封装 IGBT 模块所用芯片大多由英飞凌、ABB 等国外公司提供,只有极少量的芯 片由国内生产,国产 IGBT 芯片年产值不到 1 亿元。国内厂家一方面加速扩大 IGBT 模块 生产规模,一方面大力投入 IGBT 芯片研发。
以新能源汽车应用 IGBT 模块为例,电动控制系统的 IGBT 模块成本约占整车成本 10%,车载空调控制系统及充电系统同样用到 IGBT 模块。IGBT 的芯片研发、模块封装、 模块应用都需要有高性能的测试设备来保证产品质量。艾德克斯电子致力于“功率电子” 产品为核心的产业测试解决方案的研究,也为 IGBT 模块提供大功率高精度测试方案。

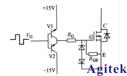
IGBT 的端子为 C:集电极、G:栅极、E:发射极,一般在 G 和 E 之间接入‐15V~+15V 范围间电压,驱动 IGBT 关导通或关断通过正负电压的交替,实现 IGBT 的导通和关断控制。
电动车用 IGBT 模块常用的典型型号为 650V、550A 的模块,其测试项目,主要包括 额定值测试、特性测试、耐久性及可靠性测试等。在额定值测试中,我们可以选用艾德 克斯 IT6500D、IT8900、IT6432 等设备完成测试。

1、集电极‐发射极截止电流 ICES 测试
测试条件:在 VCE=650V,VGE=0V,Tvj=25°C 的条件下,Ices 需要小于等于 5mA。 推荐设备:IT6516D(750V/15A/1800W),IT6432
IT6500D 系列宽范围大功率直流电源,功率高达 30kW,电压电流输出高达 1000V、1200A, 支持 CV\CC\CW 模式下上升下降时间可调,具有高分辨率及高精度,模块化设计在大功 率应用中更加稳定。

2、栅极‐发射极漏电流 IGES 测试
测试条件:在 VCE=0V,VGE=20V,Tvj=25°C 的条件下,测试 Iges 电流。 推荐设备:IT6432
IT6432 双极性直流电源,输出为±30V、±5A,同时具有超高的电流量测精度达 0.005%+0.3uA,电流显示分辨率高达 100nA。

3、栅极‐发射极阈值电压 VGE(th)测试
测试条件:将 C 和 E 之间短接,从零开始逐渐增加栅极‐发射极(GE)间的电压,当检测 到集电极电流达到规定 13mA,记录此时的 VGE 值。
测试设备:IT6432

4、集电极‐发射极饱和电压 VCE(sat)测试
测试条件:由电压源对被测器件施加规定 15V 电压;调节集电极‐发射极电流至规定值 (Ic=550A),这时相对栅极脉冲稳定部分的集电极‐发射极电压即为集电极‐发射极饱和电 压值。 实验方法:负载控制 Ic=550A,IT6432 提供 Vge=15V,用 DVM 表量测 Vce 值。
测试设备: IT6562D(80V/600A/15KW)
IT6432
IT8915‐150‐960(150V/960A/15KW)
IT8900 高性能大功率直流电子负载,支持主从机并联,可将功率扩展至 600kW,50kHz 高速测量、25kHz 动态测试、瞬间过功率加载能力,能满足大功率大电流测试需求。
艾德克斯电子在新能源及功率电子行业有丰富的测试经验,IT6500D 系列宽范围大 功率直流电源、IT8900 高性能大功率直流电子负载在大功率、高电压、大电流的场景下 均有高性能稳定表现,IT6400 双极性直流电源具备双极性及双象限特性,超高的精度和 分辨率是研发测试时的明星电源产品。
技术支持















关注官方微信
