日置PW8001功率分析仪多相电机的功率测量
在EV及工业设备不断追求高性能的背景下,电机的多相化发展持续加速。传统主流的三相结构逐渐被替代,采用五 相、六相这类多相电机的情况日益增多,其具体应用有望拓展至电动飞行器、自动驾驶EV等领域。
多相化通过降低各相电流容量,减少电阻损耗并抑制发热,最终实现电机的高功率输出与效率提升,还能获得冗余 性*1、功率密度提高等优势。然而另一方面,也面临着测量与评估难度大幅上升的难题。
1:由于绕组多相互独立,即使某一相发生故障,其余相仍可维持一定扭矩,确保设备继续运行。
多相电机功率测量的课题与重点
多相电机功率测量面临以下两大课题:
电压与电流通道数的增加
五相电机需同时测量5通道、六相电机需同时测量6通道电压与电流,因此测量仪器需具备多输入通道及高精度测量的条件。尤其在高频领域,各相电压与电流的相位误差会直接影响有功功率及效率的计算,因此带宽特性、相位精度都至关重要。
运算处理的复杂化
三相系统中,有功功率及效率的计算通常采用标准化算式,而五相、六 相电机因各相相位角不同,需对每相分别进行独立运算后再汇总计算。因 此,测量仪器需具备用户自定义运算*2功能,这是实现多相电机功率测量的必 要条件。
2:指用户可自行设定运算公式,并在测量画面中实时显示运算结果的功能,也称UDF(User Defined Function)。

多相电机功率测量的理想仪器
我们推荐使用PW8001进行多相电机功率测量。该设备可在宽频范围内保证高振幅精度与相位精度,通过大屏幕能实时查看各相功率参数,且支持多矢量图显示,便于直观确认相位平衡状态。
此外,选配电机分析选件后,除扭矩,转速外,还可以测量电机的效率 及损耗。同时,可根据测量对象的额定值与口径,搭配各类电流传感器使用。

测量方法
下面以PW8001为例,介绍多相电机功率测量的具体步骤。
N 相电机功率测量的基本事项
电压:测量各相-中性点或电机机壳(或接地线)间的电压
电流:测量各线电流
通道数:需准备与电机相数相同的通道数(N通道)
无论是三角形接法还是星形接法,均以电机机壳(或接地线)为基准进行接线。星形接法理想情况下应以中性点为基 准,但由于中性点通常难以引出,因此实际以电机机壳或接地线作为基准。

此时,N相电机的有功功率可表示为以下公式:
P总= P1 + P2 + … + PN-2 + PN-1 + PN
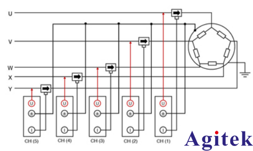
例 1 |五相电机
下面以五相电机的测量为例进行说明。
如图所示,以电机机壳(或接地线)为基准进行1P2W接线。

在接线设置画面中,将各通道的接线方式设定为1P2W×五相(N相电机需设置1P2W×N相对应的通道)。

统一5个测量通道的同步源(图中统一为CH1的电压)。

通过UDF设置各相功率的总和,以显示五相电机的总功率。图中设定为 P总= P1 + P2 + P3 + P4 + P5 。
N相电机需设置N相功率的总和。

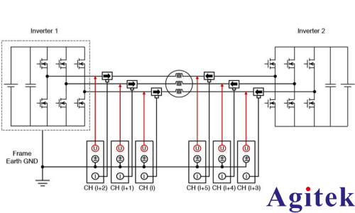
例 2 |开绕组电机(六相双逆变器)
开绕组电机的有功功率可通过以下公式表示,即初级侧与次级侧功率之和:
P总= P(初级侧有功功率)+ P(次级侧有功功率)

如图所示,测量以接地线为基准的初级侧与次级侧各自的相电压。电流传感器分别从逆变器侧朝电机负载方向连接(图中按逆变器1→电机负载、逆变器2→电机负载的电流方向连接)。
通常,电池(电源)的负极与大地处于断开状态。这种情况下,将各通道以共同电位为基准接线,可避免受系统GND 电位差的影响,实现精准测量。
图中以逆变器初级侧的框架接地线作为基准。

在接线设置画面中,分别为初级侧、次级侧选择3P4W接线方式(图中初级侧选择CH1~CH3,次级侧选择CH4~CH6)。

统一所有测量通道的同步源(图中统一为初级侧的电压)。

通过UDF设置各相功率的总和,以显示总功率。图中设定为P总= P123 + P456。

例 3 |双三相电机(3 相电机 ×2)
双三相电机的有功功率可通过以下公式表示,即两套系统的功率之和:
P总 = P(系统1的功率)+ P(系统2的功率)

以1台逆变器 和 1台三相电机为1组,对两套系统的功率进行测量。
• 3P3W3M的接线方式及接线画面
接线方式如下所示。

图中,将系统1设定为CH1~CH3,系统2设定为CH4~CH6。

• 3P4W的接线方式及接线画面
接线方式如下所示。理想情况下应以中性点为基准,但由于中性点通常难以引出,因此实际以电机机壳(或接地线)作为基准。

图中,将系统1设定为CH1~CH3,系统2设定为CH4~CH6。

统一两套系统对应通道的同步源(图中统一为系统1的电压)。

利用UDF功能分别对两套系统的功率进行汇总测量。右图中设定为P总= P123 +P456。
总结
随着电机技术的高度发展,预计今后以五相、六相为代表的多相电机将日益普及。通过本应用案例介绍的方法,即使 在多相结构下也能实现精准的功率测量,从而更可靠地实现多相电机功率特性的高精度评估,以及开发阶段的性能分析与效率提升。
技术支持















关注官方微信
